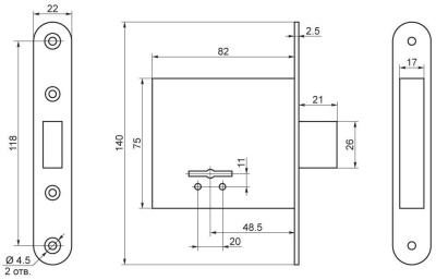
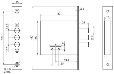
Замки ВРЕЗНЫЕ